CA3083
| ||||
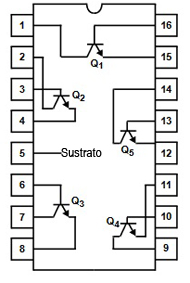
CA3083 Es una matriz compuesta por cinco transistores NPN alojados en un encapsulado de tipo DIL-16.
Descripción
CA3083 es una matriz de cinco transistores NPN de alta corriente (hasta 100 mA) en un sustrato monolítico común. Además, dos de estos transistores (Q1 y Q2) se combinan a baja corriente (es decir, 1 mA) para aplicaciones en las que los parámetros de compensación son de especial importancia. Las conexiones independientes de cada transistor más un terminal separado para el sustrato permite una máxima flexibilidad en el diseño de circuitos.
Principales características
Voltaje colector emisor (VCEO): 15 V
Voltaje colector base (VCBO): 20 V
Voltaje emisor base (VEBO): 5 V
Corriente máxima de colector (IC): 100 mA
Corriente de base (IB): 20 mA
Rango de temperatura de trabajo: -65 a150 ºC
Temperatura de soldadura en 10 segundos: 300 °C
Aplicaciones
Variadas son las aplicaciones en las que se necesiten varios transistores idénticos con las mismas características: procesamiento de señales y sistemas de conmutación que operan de corriente continúa a VHF, controladores de lámparas y relés, amplificadores diferenciales, amplificadores compensados por temperatura y disparo de tiristores.
Enlaces externos
https://pdf1.alldatasheet.com/datasheet-pdf/view/176959/INTERSIL/CA3083.html
https://datasheetspdf.com/datasheet/CA3083.html
https://www.eecs.umich.edu/courses/eecs311/f09/labs/ca3083.pdf
Fuente
Walter G. Jung. IC Array Cookbook. Hayden Book Company, 1980


