Circuito Integrado lm7805
| ||||
Circuito integrado 7805 es la denominación de una familia de integrados reguladores de tensión positiva que comprende desde el 7805 hasta 7830. Muy común encontrarlos en fuentes de alimentación. Tienen tres terminales (voltaje de entrada, masa y voltaje de salida) y especificaciones similares que sólo difieren en la tensión de salida suministrada o en la intensidad. La intensidad máxima depende del código intercalado tras los dos primeros dígitos.
Sumario
Aplicación
El integrado lm 78xx es un regulador fijo de tensión ampliamente usado en fuentes estabilizadas. En la mayoría de los equipos electrónicos se requiere de fuentes que entreguen un valor estable de tensión, anterior mente construir una fuente regulada requería de una gran cantidad de componentes electrónicos que hacia que este proceso fuera casi imposible.
Afortunadamente las empresas diseñadoras de componentes han puesto fin a esta peripecias, presentando, hace ya algunos años, los reguladores integrados. Estos dispositivos de gran utilidad aúnan todas las ventajas de una completa fuente de alimentación en un solo encapsulado reduciendo el problema de un buen diseño a unos pocos componentes. Veamos, ahora, un poco más en profundidad de qué se trata esto.
Características técnicas
Esta familia de integrados esta dotada de tres terminales (Terminal de entrada no regulada, Base, Terminal de salida regulada). Las primera letras y dos número corresponden a la denominación, mientras que las dos últimas XX deben ser reemplazados por la tensión de salida requerida. Las tensiones disponibles de observan en la siguiente tabla: encapsulado en TO-3.]] Las características estándar de los principales modelos son las encontradas en la siguiente tabla.
| 7833 | 7805 | 7806 | 7808 | 7809 | 7810 | 7812 | 7815 | 7818 | 7824 | |
|---|---|---|---|---|---|---|---|---|---|---|
| Vout | 3,3V | 5V | 6V | 8V | 9V | 10V | 12V | 15V | 18V | 24V |
| Vin - Vout | 2,2V - 30V | 2,5V - 23V | 2,6V - 20V | |||||||
| Temperatura de operación | 0 - 125 °C | 0 - 125 °C | 0 - 125 °C | 0 - 125 °C | 0 - 125 °C | |||||
| Imax de salida | 1A | 1A | 1A | 1A | 1A | 1A | 1A | 1A | 1A | 1A |
La tensión de alimentación debe ser un poco más de 2 voltios superior a la tensión que entrega el regulador y menor a 35V. Usualmente, el modelo estándar (TO220) soporta corrientes de hasta 1 A aunque hay diversos modelos en el mercado con corrientes que van desde los 0,1A. El dispositivo posee como protección un limitador de corriente por cortocircuito, y además, otro limitador por temperatura que puede reducir el nivel de corriente. Estos integrados son fabricados por numerosas compañías, entre las que se encuentran National Semiconductor, Fairchild Semiconductor y ST Microelectronics.
El ejemplar más conocido de esta serie de reguladores es el 7805, al proveer 5V lo hace sumamente útil para alimentar dispositivos TTL.
Codigo
78xx (sin letra): 1 amperio, TO220
78Lxx: 0,1 A, TO92
78Mxx: 0,5 A
78Txx: 3 A
78Hxx: 5 A (híbrido)
78Pxx: 10 A (híbrido)
Especiales:
- 78S40: Regulador de conmutación.
La tensión de salida varía entre 3.3 y 24 voltios dependiendo del modelo y está especificada por los dos últimos dígitos.
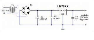
Fuente de alimentación con LM78xx
Para realizar una fuente de alimentación fija completa, observemos la figura siguiente que constituye sólo una modificación de la anterior

