Convertidores DC/DC
| ||||||
Convertidor DC/DC (Corriente Directa/Corriente Directa) Conmutado. Es un sistema electrónico que permite transformar un nivel tensión de corriente continua (directa) ala entrada en otro valor de tensión también de corriente continua a la salida. Se puede encontrar un símil en alterna con los transformadores y su relación de transformación.
Sumario
Introducción a los Convertidores Conmutados CC/CC
La electrónica de potencia es el campo que se ocupa del procesamiento y control de la energía eléctrica entre varios sistemas. Para ello se emplean dispostivos semiconductores como interruptores capaces de modular su ciclo de trabajo de forma controlada y sin elementos móviles. Estos aparatos, que se encargan de transmitir potencia eléctrica, son los convertidores estáticos y se pueden clasificar en función de del tipo de corriente que tiene a la entrada, ya sea corriente continua (DC) o corriente alterna (AC).
En nuestro caso estudiaremos sólo los convertidores conmutados de corriente continua (directa), que es el corazón de una fuente de alimentación conmutada y es el elemento que determina realmente el alto rendimiento, menor tamaño y peso de estose tipos de fuentes de alimentación.
Configuraciones Básicas de Convertidores CC/CC
Como ya se comentó, el circuito de una fuente de alimentación conmutada es esencialmente un convertidor DC/DC, con un voltaje de salida cuya magnitud puede ser controlada. Existen dos configuraciones básicas a partir de las cuales otras configuraciones pueden ser obtenidas, las cuales son conocidas como:
Otros reguladores, por ejemplo, la configuración flyback, son una combinación de estas dos formas básicas que veremos más adelante.
Configuración Step-Down(Buck Converter)
Este tipo de regulador realiza una tarea similar a la de un transformador reductor donde la tensión de salida con respecto a la tensión de entrega es siempre menor. En la figura se muestra el esquema básico donde utiliza un interruptor como elemento de control de los niveles de tensión de salida, en sustitución del dispositivo semiconductor regulador.
Si observamos la figura, cuando el interruptor S (transistor operado como elemento regulador o switch) se cierra Ton, una corriente fluye a través del inductor L. Una parte de esta corriente va a la carga y la otra sirve como corriente de carga para el condensador C. Durante Ton, debido a la polaridad del voltaje entre los extremos de la bobina, el diodo D está polarizado en inversa y no conduce. Cuando el interruptor se abre Toff, el inductor L invierte la polaridad del voltaje entre sus extremos para mantener el flujo de corriente en el mismo sentido, como consecuencia el diodo ahora queda polarizado directamente, evitando que altos voltajes sean inducidos en el inductor y habilitando un camino para el paso de corriente. Este diodo es conocido como flyback diode. Durante Toff la corriente que circula a través de la carga es suministrada tanto por el inductor como por el condensador.
¿Cómo se logra la Regulación del Voltaje?
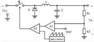
En los reguladores conmutados la regulación del voltaje de salida se logra manipulando el tiempo de conducción del elemento de control, en este caso del transistor. Una de las técnicas más comúnmente usada es controlar el tiempo de conducción mediante el uso de una forma de onda PWM (Modulación del Ancho de Pulso). En la figura se muestra el circuito básico de la configuración Step-Down con el diagrama de bloques del circuito de control.
Según vemos en la figura anterior, el voltaje de salida Vo es censado por medio del divisor de tensión formado por R1 y R2. Este es comparado con la tensión de referencia por el amplificador de error A1, produciendo una señal diferencial.
El voltaje de salida Vo es usado para controlar el “trippoint” del comparador A2, siendo la otra entrada de este alimentada con una señal de diente de sierra o triangular. La señal de salida resultante es una señal, forma de onda, la cual tiene un ancho de pulso modulado PWM.
Para lograr una retroalimentación negativa y por consiguiente regular el voltaje de salida, el interruptor S se debe abrir cuando la salida es baja y cerrarse cuando la salida del comparador es alta.
Si el nivel de voltaje de salida se incrementa por alguna razón, el nivel producido por el divisor de voltaje y por consiguiente el nivel de la señal de error se incrementa. El tiempo que toma el oscilador de diente de sierra para alcanzar el mismo nivel que la señal de error se incrementa también.
Por lo tanto, la salida del comparador se pone en alto, cerrando el switch por un periodo de tiempo menor que el normal, es decir, el Ton se vuelve menor. Esto reduce el incremento en la corriente del inductor L y por consiguiente la cantidad de energía transferida, contrarrestando de esta forma el incremento inicial en el voltaje de salida Vo.
De igual forma cuando el voltaje de salida disminuye por algún motivo, el nivel de la señal de error también disminuye incrementándose de esta manera el tiempo de conducción del elemento de control.
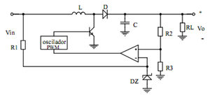
Configuración Step-Up (Boost converter)
Esta configuración permite obtener nivees de tensión de salida mayores que la tensión de entrada. Cuando el interruptor S está cerrado, la corriente fluye a través del inductor L, almacenando energía en este. El diodo D está polarizado en inversa y no conduce, bloqueando de esta forma al voltaje de entrada Vi que no puede alcanzar la carga.
Cuando el interruptor S es abierto, el voltaje a través del inductor L invierte su polaridad de tal forma que el diodo D se polariza en directo y la corriente fluye a través de este cargando al condensador C y suministrando corriente a la carga. El voltaje del inductor L se suma al voltaje de entrada Vi lo cual produce un voltaje de salida Vo mayor que el de entrada.
¿Cómo se Regula el Voltaje de Salida?
La siguiente figura ilustra el funcionamieno de este tipo de convertidor. Aquí cuando el interruptor S es cerrado, el voltaje a través de L se incrementa instantáneamente hasta (Vin – Vs). Durante el tiempo de conducción (Ton) VL disminuye desde su valor inicial. Cuanto mayor sea Ton, menor será el voltaje entre los extremos de L (VL) y por consiguiente menor el voltaje de salida. De igual forma mientras más pequeño sea Ton, más grande será VL y mayor el voltaje de salida.
Métodos para controlar el voltaje de salida
Existen dos métodos comúnmente usados para controlar el voltaje de salida en una fuente conmutada. Uno de ellos utiliza la variación de la frecuencia de una forma de onda rectangular y el otro utiliza la variación del ancho del pulso de dicha onda (PWM). El cambio de la frecuencia (modulación) de operación comúnmente resulta en un circuito más sencillo, pero también resulta en la generación de un amplio espectro de señales no deseadas las cuales causan interferencias y pueden ser difíciles de filtrar. El uso de la modulación del ancho del pulso (PWM) permite un filtrado más sencillo de las señales no deseadas la lograr reducir las componentes de frecuencia por debajo de la frecuencia de operación de la fuente y por consiguiente puede eliminar una gran cantidad de ruido e interferencias no deseadas.
Flyback (o buck – boost converter)
Este tipo de convertidor es una combinación de los dos antes estudiandos co comportamiento similares. Este tipo de circuito es el típico conmutador que se utilizan en TV y monitores de computadoras.
¿Qué es el flyback de la fuentes conmutadas?
Es la operación de conmutación que genera un circuito produciendo impulsos hacia un inductor formado por dos bobinas. El circuito flyback consiste en:
- Una tensión de entrada continua de alta tensión
- Un elemento de paso ON-OFF
- Un inductor con dos bobinas
- Un rectificador en el circuito secundario
- Un circuito de control
El convertidor de retroceso (en inglés flyback converter) es un convertidor DC a DC con aislamiento galvánico entre entrada y salida. Tiene la misma estructura que un convertidor reductor-elevador con dos bobinas acopladas en lugar de una única bobina; erróneamente, se suele hablar de un transformador como elemento de aislamiento pero, en realidad no es así, puesto que un transformador no almacena más que una mínima parte de la energía que maneja mientras que el elemento inductivo del retroceso almacena toda la energía en el núcleo magnético. Esta es la razón por la que el dispositivo inductivo de este tipo de convertidores es mucho más voluminoso para una misma frecuencia de conmutación que el de otros convertidores con aislamiento que sí usan transformador de verdad como los push-pull y los puentes. Por este motivo, este convertidor sólo se usa en aplicaciones de baja potencia. Otro problema frecuente es el efecto negativo de la inductancia de dispersión que causa sobretensiones importantes en el interruptor controlado con lo que su uso queda limitado a aplicaciones de baja tensión de entrada, salvo que se usen redes de para amortiguación. Existen otros tipos de convertidores que tambión son de gran uso en la electrónica, los cuales e diferencian entre sí por su complejidad, eficiencia y niveles de potencia que entregas. Aquí mostramos otros algunos más:
Enlaces Externos
- https://es.wikipedia.org/wiki/Convertidor_DC_a_DC
- https://es.wikipedia.org/wiki/Fuente_conmutada
- https://es.wikipedia.org/wiki/Convertidor_de_retroceso
Fuentes
- https://www.comunidadelectronicos.com/articulos/convertidores-fuentes-conmutadas2.htm
- https://electronilab.co/tienda/convertidor-dc-dc-boost-150w-10-32v-a-12-35v-6a/
- https://www.geekfactory.mx/tienda/modulos-para-desarrollo/convertidor-dc-dc-step-up-boost/
- http://www.elo.jmc.utfsm.cl/sriquelme/el/presentaciones/segundo%20semestre/presentacion%203%20el.pdf
- http://www.amvelectronica.com/notas/ibasicas.htm
- https://es.slideshare.net/Jomicast/las-fuentes-de-alimentacin-conmutadas-switching?qid=292b36f8-ddf5-432d-813d-98d77610c526&v=&b=&from_search=7



