Convertidores analógicos-digitales
| ||||
Convertidores analógicos-digitales. Los convertidores A/D son dispositivos electrónicos que establecen una relación biunívoca entre el valor de la señal en su entrada y la palabra digital obtenida en su salida. La relación se establece en la mayoría de los casos, con la ayuda de una tensión de referencia.
La conversión analógica a digital tiene su fundamento teórico en el teorema de muestreo y en los conceptos de cuantificación y codificación.
Sumario
Circuitos de captura y mantenimiento
Los circuitos de captura y mantenimiento se emplean para el muestreo de la señal analógica (durante un intervalo de tiempo) y el posterior mantenimiento de dicho valor, generalmente en un condensador, durante el tiempo que dura la transformación A/D, propiamente dicha.
El esquema básico de un circuito de captura y mantenimiento, así como su representación simplificada, se ofrece en la figura:
El funcionamiento del circuito de la figura es el siguiente: El convertidor A/D manda un impulso de anchura tw por la línea C/M, que activa el interruptor electrónico, cargándose el condensador C, dutrante el tiempo tw. En el caso ideal, la tensión en el condensador sigue la tensión de entrada. Posteriormente el condensador mantiene la tensión adquirida cuando se abre el interruptor.
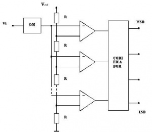
Conversor A/D con comparadores
Es el único caso en que los procesos de cuantificación y codificación están claramente separados. El primer paso se lleva a cabo mediante comparadores que discriminan entre un número finito de niveles de tensión . Estos comparadores reciben en sus entradas la señal analógica de entrada junto con una tensión de referencia, distinta para cada uno de ellos. Al estar las tensiones de referencia escalonadas, es posible conocer si la señal de entrada está por encima o por debajo de cada una de ellas, lo cual permitirá conocer el estado que le corresponde como resultado de la cuantificación. A continuación será necesario un codificador que nos entregue la salida digital.
Este convertidor es de alta velocidad, ya que el proceso de conversión es directo en lugar de secuencial, reduciéndose el tiempo de conversión necesario a la suma de los de propagación en el comparador y el codificador. Sin embargo, su utilidad queda reducida a los casos de baja resolución, dado que para obtener una salida de N bits son necesarios 2N-1 comparadores, lo que lleva a una complejidad y encarecimiento excesivos en cuanto se desee obtener una resolución alta.
Conversor A/D con contadores
Llamado también convertidor con rampa en escalera. Usa el circuito más sencillo de los conversores A/D.
Un comparador, reloj, circuito de captura y mantenimiento (SH), contador.
Conversor D/A y Buffers de salida
Una vez que el Circuito de captura y mantenimiento (S/H), ha muestreado la señal analógica, el contador comienza a funcionar contando los impulsos procedentes del reloj. El resultado de este contaje se transforma en una Señal analógica mediante un convertidor D/A, proporcional al número de impulsos de reloj recibidos hasta ese instante.
La señal analógica obtenida se introduce al comparador en el que se efectúa una comparación entre la señal de entrada y la señal digital convertida en analógica. En el momento en que esta última alcanza el mismo valor ( en realidad algo mayor) que la señal de entrada, el comparador bascula su salida y se produce el paro del contador.
El valor del contador pasa a los buffers y se convierte en la salida digital correspondiente a la señal de entrada. Este convertidor tiene dos inconvenientes:
- Escasa velocidad.
- Tiempo de conversión variable.
El segundo inconveniente puede comprenderse fácilmente con la ayuda de la siguiente figura, en la que se aprecia que el número de impulsos de reloj (tiempo), precisos para alcanzar el valor Vien el conversor D/A depende del valor de Vi.
Dicho tiempo de conversión viene dado por la expresión:
Conversor A/D con integrador.
Este tipo de convertidores son más sencillos que los anteriores ya que no utilizan convertidores D/A. Se emplean en aquellos casos en los que no se requiere una gran velocidad, pero en los que es importante conseguir una buena linealidad. Son muy usados en los voltímetros digitales. Existen dos tipos:
Convertidor A/D de rampa única
Consta, como se refleja en la figura, de un integrador, un comparador, un generador de impulsos y un contador con sus buffers de salida.
En la puesta en marcha tanto el integrador como el contador son puestos a cero por el circuito de control.
Convertido digital / analógico
Frecuentemente es necesario convertir una palabra digital que tenga cada bit representado por un 0 ó 1 lógico, en señal analógica.
Esta red convierte una palabra binaria de cuatro bit en una tensión proporcional al numero decimal representado por la palabra codificada. Cada bit sensibiliza electrónicamente un conmutador, gobernando el bit mas significativo al conmutador conectado a la resistencia de 10kohms y el menos significativo a la de 80kohms. Un 1 lógico conecta la resistencia de –4v y un 0 lógico la conecta aTierra. Las resistencias estan ponderadasde igual manera que los bit de la palabra digital, gobernando el bit mas significativo al conmutador de la resistencia mas baja. El sistema puede ampliarse fácilmente para la conversión de palabras que tengan mayor número de bit.
Los conmutadores del convertidor D/A de la fig. 14-20 estan en las posiciones correspondientes a la palabra binaria 1010 correspondiente al decimal 10. este sistema de codificación se explica en la ecuación 14-29 se aplica siendo Rb = 0 y con cada tensión de entrada igual o a –4V o a 0, según sea el conmutador. En la fig. vemos que: Vo= 5 4/10 + 0/20 + 4/40 + 0/80 = 2.5
Bibliografía
[1] BROOKS, Todd L. DEL MURO, Anthony HARSTON, Stephen W. ROBERTSON, David H. y KELLY, Daniel F. A Cascaded Sigma–Delta Pipeline A/D Converter with 1.25 MHz Signal Bandwidth http: iie.fing.edu.uy/investigacion/grupos/microele//iberchip

