LA4508
| ||||
LA45081. Es un Circuito Integrado, amplificador de audio doble, de 8,5 Watts por canal.
Sumario
Descripción
LA4508 es un circuito integrado monolítico, desarrollado por la firma de componentes electrónicos Sanyo, es un amplificador de potencia de audio doble, de 8.5 Watts por canal, esta protegido térmicamente en su salida en caso de cortocircuito. Se presenta en un encapsulado de tipo SIL-14.
Principales características
- Tensión máxima de alimentación: 24V
- Potencia máxima de disipación: 15W
- Corriente máxima de salida por cada canal: 1,5A
Condiciones recomendadas de operación
- Rangos de alimentación: 9 a 23V
- Tensión recomendada de alimentación: 15V
- Resistencia de carga: 3 Ω
Características para 15V de alimentación y 3 Ω de carga
Corriente de reposo: 20mA
Ganancia de voltaje: 44 dB
Potencia de salida: 8,5W
Distorsión armónica total: 0,15%
Resistencia de entrada: 30 k Ω
Separación típica entre canales: 65 dB
Rechazo de ondulación alto: 60 dB
Aplicaciones
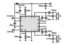
Por su diseño y características lo podemos encontrar en aplicaciones comerciales, pero también se puede utilizar en algún otro proyecto, tales como refuerzos para walkman y reproductores de CD, intercomunicadores y pequeños equipos de música. En la imagen se muestra el esquema típico de aplicación del circuito.
Enlaces externos
http://www.newtoncbraga.com.br/index.php/novos-componentes/7312-la4508-amplificador-de-audio-integrado-com249 http://www.electronica.ro/audio/LA4508.shtml http://english.electronica-pt.com/audio-ics?ref=LA4508 http://www.datasheetcatalog.com/datasheets_pdf/L/A/4/5/LA4508.shtml http://www.audiolabga.com/pdf/LA4508.pdf
Fuente
IC Master, Volumen 3. United Technical Publications, 1997.
Linear Integrated Circuits. D.A.T.A. Incorporated, 1990
Electronics World + Wireless World, Volumen 101,Números 1706-1717. Reed Business Pub., 1995



