Leyes de Kirchhoff
| ||||||||
Las leyes de Kirchhoff fueron formuladas por el físico prusiano Gustav Kirchhoff (1824-1887) en 1845, mientras este aún era estudiante. Es responsable de dos conjuntos de leyes fundamentales en la teoría clásica de circuitos eléctricos y en la emisión térmica. Aunque ambas se denominan leyes de Kirchhoff, probablemente esta denominación es más común en el caso de las leyes de Kirchhoff de la ingeniería eléctrica las que surgen de la aplicación de la ley de conservación de la energía. Estas leyes permiten resolver los circuitos electrónicos utilizando el conjunto de ecuaciones al que ellos responden.
Sumario
La primera ley de Kirchhoff, o ley de los nodos, o ley de las corrientes
En un circuito eléctrico, es común que se generen nodos de corriente. Un nodo es el punto del circuito donde se unen más de un terminal de un componente eléctrico. Si se desea pronuncie «nodo» y piense en «nudo» porque esa es precisamente la realidad: dos o más componentes se unen anudados entre sí (en realidad soldados entre sí). En la figura a continuación se puede observar el más básico de los circuitos de CC (corriente continua) que contiene dos nodos.
Obsérvese que se trata de dos resistores de 1 kohms[1] (R1 y R2) conectados sobre una misma batería B1. La batería B1 conserva su tensión fija a pesar de la carga impuesta por los dos resistores; esto significa que cada resistor tiene aplicada una tensión de 9 V sobre él. La ley de Ohms indica que cuando a un resistor de 1 kohm se le aplica una tensión de 9 V, por él circula una corriente de 9 mA:
I = V/R = 9 V/[[1000 ohm = 0,009 A = 9 mA
Por lo tanto se puede asegurar que cada resistor va a tomar una corriente de 9 mA de la batería o que entre ambos van a tomar 18 mA de la batería. También se podría decir que desde la batería sale un conductor por el que circulan 18 mA que al llegar al nodo 1 se bifurca en una corriente de 9 mA que circula por cada resistor, de modo que en el nodo 2 se vuelven a unir para retornar a la batería con un valor de 18 mA.
Enunciado de la primera ley de Kirchhoff
«La corriente entrante a un nodo es igual a la suma de las corrientes salientes».
Del mismo modo se puede generalizar la primer ley de Kirchhoff diciendo que «la suma de las corrientes entrantes a un nodo son iguales a la suma de las corrientes salientes en él».
La razón por la cual se cumple esta ley se entiende perfectamente en forma intuitiva si uno considera que la corriente eléctrica es debida a la circulación de electrones de un punto a otro del circuito. Piense en una modificación de nuestro circuito en donde los resistores tienen un valor mucho mas grande que el indicado, de modo que circule una corriente eléctrica muy pequeña, constituida por tan solo 10 electrones que salen del terminal positivo de la batería. Los electrones están guiados por el conductor de cobre que los lleva hacia el nodo 1. Llegados a ese punto los electrones se dan cuenta que la resistencia eléctrica hacia ambos resistores es la misma y entonces se dividen circulando 5 por un resistor y otros 5 por el otro. Esto es totalmente lógico porque el nodo no puede generar electrones ni retirarlos del circuito solo puede distribuirlos y lo hace en función de la resistencia de cada derivación. En nuestro caso las resistencias son iguales y entonces envía la misma cantidad de electrones para cada lado. Si las resistencias fueran diferentes, podrían circular tal vez 1 electrón hacia una y nueve hacia la otra de acuerdo a la aplicación de la ley de Ohm.
Mas científicamente se puede decir, que siempre se debe cumplir una ley de la física que dice que la energía no se crea ni se consume, sino que siempre se transforma. La energía eléctrica que entrega la batería se subdivide en el nodo de modo que se transforma en iguales energías térmicas entregadas al ambiente por cada uno de los resistores. Si los resistores son iguales y están conectados a la misma tensión, deben generar la misma cantidad de calor y por lo tanto deben estar recorridos por la misma corriente; que sumadas deben ser iguales a la corriente entregada por la batería, para que se cumpla la ley de conservación de la energía.
En una palabra, que la energía eléctrica entregada por la batería es igual a la suma de las energías térmicas disipadas por los resistores. El autor un poco en broma suele decir en sus clases. Como dice el Martín Fierro, todo Vatio que camina va a parar al resistor.
Segunda ley de Kirchhoff, o ley de los voltajes
Cuando un circuito posee mas de una batería y varios resistores de carga ya no resulta tan claro como se establecen la corrientes por el mismo. En ese caso es de aplicación la segunda ley de Kirchhoff, que permite resolver el circuito con una gran claridad.
Enunciado de la segunda ley de Kirchhoff
En un circuito cerrado, la suma de las tensiones de batería que se encuentran al recorrerlo siempre serán iguales a la suma de las caídas de tensión existente sobre los resistores.
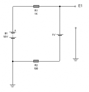
Obsérvese que el circuito posee dos baterías y dos resistores y se desea saber cual es la tensión de cada punto (o el potencial), con referencia al terminal negativo de B1 al que le colocamos un símbolo que representa a una conexión al planeta y al que se llama tierra o masa. Se debe considerar al planeta tierra como un inmenso conductor de la electricidad.
Las tensiones de fuente, simplemente son las indicadas en el circuito, pero si pretendemos aplicar las caídas de potencial en los resistores, debemos determinar primero cual es la corriente que circula por aquel. Para determinar la corriente, primero debemos determinar cual es la tensión de todas nuestras fuentes sumadas. Observe que las dos fuentes están conectadas de modos que sus terminales positivos están galvánicamente conectados entre si por el resistor R1. esto significa que la tensión total no es la suma de ambas fuentes sino la resta. Con referencia a tierra, la batería B1 eleva el potencial a 10V pero la batería B2 lo reduce en 1 V. Entonces la fuente que hace circular corriente es en total de 10 – 1 = 9 V. Los electrones que circulan por ejemplo saliendo de B1 y pasando por R1, luego pierden potencial en B2 y atraviesan R2. Para calcular la corriente circulante podemos agrupar entonces a los dos resistores y a las dos fuentes.
Referencias
- ↑ El prefijo correspondiente a kilo (‘mil’ en griego) es siempre k minúscula (nunca K mayúscula, que significa grado Kelvin).
Fuente
- «Leyes de Kirchhoff», artículo en el sitio web Electrónica Completa.
- Ayllón Fandiño, E. (1987): Fundamentos de la teoría de los circuitos eléctricos II. La Habana: Pueblo y Educación.
- Bessonov, L. A. (1984): Teoreticheskie osnovi electrotejniki. Moscú: Vysshaia Shcola.
- Evdokimov, F. E. (1981): Teoreticheskie osnovi electrotejniki. Moscú: Vysshaia Shcola.
- Kasatkin, A. S., Nemtsov, M. V. (1983): Electrotejnika. Moscú: Energoatomizdat.
- Kerchner, R. M., Corcoran, G.F. (1975): Circuitos de corriente alterna. La Habana: Pueblo y Educación.
- Neiman, L. R.; y Demirchian, L. R. (1981): Teoreticheskie osnovi electrotejniki. Leningrado: Energoizdat.
- Zeveke, G. V. (1979): Analysis and synthesis of electric circuits. Moscú: Mir.





