Rectificadores
| ||||
Rectificadores. Tipo de circuito destinado a convertir la corriente alterna (ac) en corriente continua (dc), los cuales son ampliamente utilizados en la industria para alimentar motores de corriente continua de altas potencia, así como; su uso en los equipos electrodomésticos para la alimentación de sus diferentes circuitos. Su componente fundamental para diseñarlos son los diodos rectificadores.
Sumario
Clasificación
Los circuitos rectificadores pueden clasificarse según:
Señal de alimentación
- Rectificador monofásico
- Rectificador trifásico
Tipo de rectificación
- Media onda
- Onda completa
Rectificador de media onda
Es construido con un diodo ya que este pude mantener el flujo de corriente en una sola dirección, se puede utilizar para cambiar una señal de ac a una de dc. En la figura I. se muestra un circuito rectificador de media onda. Cuando la tensión de entrada es positiva, el diodo se polariza en directo y se puede sustituir por un corto circuito. Si la tensión de entrada es negativa el diodo se polariza en inverso y se puede remplazar por un circuito abierto. Por tanto cuando el diodo se polariza en directo, la tensión de salida a través de la carga se puede hallar por medio de la relación de un divisor de tensión sabemos además que el diodo requiere 0.7 voltios para polarizarse así que la tensión de salida esta reducida en esta cantidad (este voltaje depende del material de la juntura del diodo). Cuando la polarización es inversa, la corriente es cero, de manera que la tensión de salida también es cero. Este rectificador no es muy eficiente debido a que durante la mitad de cada ciclo la entrada se bloquea completamente desde la salida, perdiendo así la mitad de la tensión de alimentación. El voltaje de salida en este tipo de rectificador es aproximadamente 0.45 voltaje máximo de la señal de entrada. La forma de onda que observamos a la salida se muestra en la figura II.
Rectificador de onda completa
De este tipo de rectificador podemos encontrar diferentes versiones dos de ellas son las siguientes:
Rectificador de onda completa con derivación central
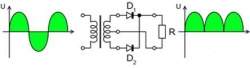
En la figura III. Se muestra el rectificador de onda completa con derivación central, este utiliza ambas mitades de la onda sinusoidal de entrada; para obtener una salida unipolar, invierte los semiciclos negativos de la onda sinusoidal. En esta aplicación se utiliza en el devanado central del transformador con la finalidad de obtener dos voltajes VS iguales, en paralelo con las dos mitades del devanado secundario con las polaridades indicadas. Cuando el voltaje de línea de entrada, que alimenta al devanado primario, es positivo, ambas señales marcadas como VS serán positivas. En este caso D1 conduce y D2 estará polarizado inversamente. La corriente que pasa por D1circulara por la carga y regresara ala derivación central del secundario. El circuito se comporta entonces como rectificador de media onda, y la salida durante los semiciclos positivos será idéntica a la producida por el rectificador de media onda. Ahora, durante el semiciclo negativo del voltaje de ca de la línea, los voltajes marcados como VS serán negativos. Entonces D1 estará en corte y D2 conduce. La corriente conducida por D2 circulara por la carga y regresa a la derivación central. Se deduce que durante los semiciclos negativos también el circuito se comporta como rectificador de media onda, excepto que ahora el diodo D2 es el que conduce. Lo más importante es que la corriente que circula por la carga siempre pasa por la misma dirección y el voltaje vo será unipolar. La onda de salida se obtiene suponiendo que un diodo conductor tiene una caída constante de voltaje VDO, es decir, se desprecia el efecto de la carga. El voltaje de salida es aproximadamente 0.9 voltaje máximo de la onda.
Rectificador de onda completa con puente de diodo
La figura IV. muestra el circuito conocido como rectificador en puente de winstone y la señal de salida obtenida en este rectificador. Como se observa no hay variaciones en la señal de salida con respecto al rectificador con derivación central, la diferencia radica en que este no usa derivación y si dos diodos más. Su funcionamiento radica en que durante los semiciclos positivos del voltaje de entrada vs la corriente es conducida a través del diodo D1, la carga y el diodo D2 (por ser positivo). Entre tanto los diodos D3 y D4 están polarizados inversamente. Consideremos la situación durante los ciclos negativos del voltaje de entrada. El voltaje secundario vs será negativo y entonces -vs será positivo, forzando la corriente a circular por D3, la carga y D4; entre tanto los diodos D1 y D2 estarán polarizados inversamente. Cabe anotar que durante los dos ciclos la corriente circula por la carga en la misma dirección y por tanto v0 siempre será positivo. Este circuito posee una deficiencia que es la generación de una tierra virtual de vida a la conexión que posee además sabemos que este circuito decrementa el valor de la salida no en solo 0.7 voltios, debido a la conexión que posee en serie este circuito. Si una de las terminales de la fuente se aterra, ninguna de las terminales de la carga se puede aterrar; de lo contrario provocaría un lazo de tierra, que eliminaría uno de los diodos. Por tanto es necesario introducir un transformador a este circuito para aislar entre sí las dos tierras. En este también el voltaje de salida es aproximadamente 0.9 voltaje máximo de la onda.
Otros rectificadores
- Rectificador Trifásico Conectado En Estrella
- Rectificador Hexafásico
Véase también
Fuentes
- MUHAMMAD H. RASHID, Electrónica de potencia, Ph.D.,Fellow IEE
- http://www.forosdeelectronica.com/tutoriales/rectificadores.htm





