Registro de desplazamiento
| ||||
Registro de desplazamiento. Grupo de celdas de almacenamiento binario adecuadas para mantener información binaria. Un grupo de flip-flop constituye un registro, ya que cada flip-flop es una celda binaria capaz de almacenar un bit de información. Un registro de n-bit tiene un grupo de n flip-flop y es capaz de almacenar cualquier información binaria que contengan bits. Además de los flip-flop, un registro puede tener compuertas lógicas combinacionales que realicen ciertas tareas de procesamiento de datos. En su definición más amplia, un registro consta de un grupo de flip-flop y compuertas que efectúan una transición. Los flip-flop mantienen la información binaria y las compuertas controlan cuando y como se transfiere información nueva al registro.
Sumario
Forma de introducir la información
- Serie: Los bits se transfieren uno a continuación del otro por una misma línea.
- Paralelo: Se intercambian todos los bits al mismo tiempo, utilizando un número de líneas de transferencia igual al número de bits.
Tipos de registros
Existen cuatro categorías de registro de desplazamiento.
- Registro serie-paralelo
Es aquél que convierte un string (cadena) de datos binarios en formato serie a un formato paralelo donde dichos datos se encuentran sincronizados con una señal de reloj externa. Un uso popular es dentro de la parte de recepción de un MODEM de comunicaciones donde la señal recibida es un tren de bits los cuales deben ser pasados a un formato paralelo a fin de poder ser procesados convenientemente por un microprocesador, el cual sólo trabaja con señales binarias en dicho formato paralelo. Está basado en una cadena de Flip-Flops tipo “D”. Si el RD es de“N” bits, el string de bits se hace entrar por el primero FF y luego de “N” ciclos de reloj se tiene en las “N” salidas de los FFs el dato ya convertido a paralelo.
- Registro paralelo - serie
Es aquél que convierte un dato en formato paralelo en un string (cadena) de datos binarios en formato serie, donde dichos datos se encuentran sincronizados con una señal de reloj externa. Un uso popular es dentro de la parte de transmisión de un modem de comunicaciones donde la señal recibida proviene de un microprocesador, el cual sólo trabaja con señales binarias en formato paralelo. Dicha información es convertida por el RD en un tren de bits.
Un RD de “N” bits está basado generalmente en una cadena de “N” Flip-Flops tipo “D” para la conversión de datos y un latch de “N” bits para la carga del dato binario al comienzo de cada sesión de transmisión. Respecto a la carga de datos en paralelo, el RD puede ser del tipo “carga asincrónica” ó “carga sincrónica”.
Ejemplo de registros de desplazamiento
- Registro de desplazamiento universal bidireccionalde 4 bits
El 74HC194 es un ejemplo de registro de desplazamiento bidireccional universal en formato integrado. Se denomina universal porque auna las capacidades de los anteriores circuitos integrados estudiados: tiene capacidad de entrada y salida tanto serie como paralelo. Se denomina bidireccional porque los desplazamientos pueden ser tanto de izquierda a derecha como de derecha a izquierda. Un registro de desplazamiento se puede utilizar como contador en anillo sin mas que unir la salida a la entrada serie.
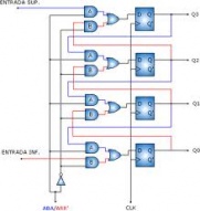
- Registro de desplazamiento con flip-flop tipo D
Un ejemplo es uno construido con cuatro flip-flop tipo D y una entrada común de pulsos de reloj. La entrada de pulsos de reloj, CP, habilita todos los flip-flop de modo que la información presente disponible en las cuatro entradas puede trasferirse al registro de 4-bit.
El Reloj
Hay una salvedad, y es la existencia del "reloj". Efectivamente, en un circuito real, los datos pasan al registro de desplazamiento con cada pulso de reloj. Podemos pensar en este reloj como si se tratase de un "maestro de ceremonias", que da una palmada cada vez que alguien debe ingresar en la cola.
Muchos circuitos de registros de desplazamiento "reales" también incluyen un sistema de RESET, que permite poner simultáneamente todas las salidas en "0" o estado bajo, sin necesidad de ingresar 8 ceros seguidos. Esto permite limpiar rápidamente el registro de desplazamiento.
Cuando decimos "rápidamente" nos referimos a que como la velocidad de los pulsos del reloj (CLOCK) no puede ser infinita (típicamente el máximo ronda los 10 o 20 MHz) y cada dato demora el tiempo de un pulso de reloj en desplazarse por el registro, introducir 8 "0"s llevaría 800 ns (100 ns * 8 bits), contra los 100 ns que demora en aplicarse el RESET. No obstante, para obtener los tiempos exactos implicados se debe consultar la hoja de datos del integrado que estemos utilizando, ya que los limites varían incluso con la tensión de alimentación y la temperatura.
Fuentes
- Electrónica. Digital Julio Díaz Calvo Editorial Pueblo y Educación, 1989


