Resistor transistor logic
| ||||
Familia Lógica RTL:Esta compuesta por resistencias y transistores. Los elementos que desarrollan la lógica serán transistores en combinación con resistencias (Resistor-Transistor-Logic). Esta clase de circuitos integrados fue la primera que proporcionó en el mercado componentes lógicos discretos a bajo costo con los cuales se empezaron a implementar muchas funciones lógicas básicas. Aunque todavía no había alguna "estandarización" llevada a cabo por las empresas que iniciaron la fabricación de circuitos integrados RTL, por vez primera se empezaron a fabricar muchos tipos de circuitos que además de funciones lógicas básicas implementaban algunas funciones algo más sofisticadas, como contadores binarios o registros de transferencia.
Sumario
Funcionalidad
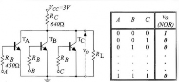
Si A = B =1, toda la corriente pasa por la base del transistor, dicho transistor conduce, por lo que VCE=0, esto es 0 de salida.Si B=0, R2 queda conectada a masa, si esta R2 es suficientemente pequeña, la IB por el transistor es baja y dicho transistor estará en el corte, por lo que su IC=0, la VRC=0 y por tanto la VCE=5V, esto es un nivel 1 de salida. Si A = B = 0 ocurre lo mismo que en el caso anterior, resultando un nivel 1 de salida. Por lo tanto la salida es 0 solo cuando ambas entradas son 1 lo que corresponde a la función de la puerta lógica
Características técnicas
Por la forma en la cual está integrada la electrónica interna, el "bloque fundamental" de la familia RTL no es ninguna de nuestras funciones lógicas básicas (OR, AND, NOT), sino la función NOR. El bloque NOR es la base de la familia RTL.
Los circuitos integrados RTL siempre se destacaron por ser una familia de componentes muy resistentes a cualquier tipo de falla. Inclusive en la literatura promocional de los mismos se afirmaba que no había forma posible de dañarlos aunque al construír un prototipo usando circuitos RTL se cometiesen errores al hacer las conexiones eléctricas
Cableado Lógico
Las puertas NOR- RTL permiten cableado lógico, uniendo entre sí las salidas de dos o más puertas.
Se asume que este tipo de compuertas se interconectan entre ellas, siendo natural que una salida de una compuerta RTL se conecte a una entrada de una compuerta RTL.
Puertas NOR en tecnología RTL
Compuerta NOT con tecnología RTL
Ventajas de RTL
Poca área requerida para integración(alta densidad de empaquetamiento).
Baja disipación y costo
Desventajas de RTL
Bajo FAN-UOT
Bajos margenes de ruidos
Ejemplos de circuitos integrados con tecnología RTL
Entre algunos de los circuitos integrados construídos con tecnología RTL podemos mencionar como ejemplos los siguientes, construídos por la empresa Motorola:
MC789P -- Hex inverter (seis inversores NOT)
MC724P -- Quad two input gate (cuatro NORs de dos entradas)
MC790P -- Dual J-K Flip-Flop (dos flip-flops J-K)
Además de estos componentes podemos mencionar el ul914 (Dual two input NOR, dos NOR de dos entradas) construido por varios fabricantes.
Fuentes
- Microelectronics, Jacob Millman, 1979
- Electrónica Digital. Julio Díaz Calvo. Editorial Pueblo y Educación, 1989

