Temporizador programable hasta 99 horas, 59 minutos y 59 segundos
| ||||
Temporizador programable hasta 99 horas, 59 minutos y 59 segundos . Temporizador digital programable entre 00:00:01 horas y 99:59:59 horas, con salida mediante relé de 12 Vcc, 10 A .
Sumario
Descripción
Temporizador digital programable entre 00:00:01 horas y 99:59:59 horas, con salida mediante relé de 12 Vcc, 10 A (se activa durante la cuenta). Dos modos de cuenta seleccionables ascendente y descendente, ambas entradas se pueden utilizar además para desactivar momentáneamente el relé y detener la cuenta.
El pulsador PR se utiliza para cortar el ciclo de cuenta (se desactiva el relé y vuelve al modo programación).
Operación del circuito y secuencia de programación
Al encender el circuito ingresa al modo programación, mostrando en los displays el valor almacenado (último valor programado), salvo el caso que se hubiere cortado la alimentación durante el ciclo de cuenta la última vez que se usó la plaqueta. En este caso, cuando se alimenta nuevamente, el circuito continúa con la cuenta desde el punto en que se había interrumpido.
Modo programación
- Cuando está en modo programación titila el punto decimal correspondiente a las unidades de los segundos (display de la derecha).
- Para cambiar el valor programado se utilizan los pulsadores P1 y P2. Con el pulsador P2 se selecciona el dígito a modificar (el dígito seleccionado titila), mientras que con el pulsador P1 se cambia el valor del dígito seleccionado. Oprimiendo el pulsador PD o cerrando los contactos de la entrada, se activa el ciclo de cuenta (se activa el relé y comienza la cuenta).
- Modo de cuenta: Mediante el jumper A-D se selecciona el modo de cuenta: Si el jumper está colocado la cuenta es descendente (desde el número programado hasta 00:00:00).Si no se coloca el jumper la cuenta es ascendente (desde 00:00:00 hasta el valor programado).
- Ciclo de cuenta: durante la cuenta se pueden realizar dos acciones: Si se oprime el pulsador PR se interrumpe la cuenta, se desactiva el relé y vuelve al modo programación. Si se oprime el pulsador PD o se cierran los contactos de la entrada, se detiene la cuenta y se desactiva el relé (los puntos de los displays comienzan a titilar). Esta situación se mantiene hasta que se vuelva a oprimir el pulsador PD o ingrese un nuevo pulso por la entrada, momento en que se reanuda la cuenta, los puntos dejan de titilar y el relé vuelve a activarse. Cuando la cuenta llega a su fin, el relé se desactiva y vuelve al modo programación.
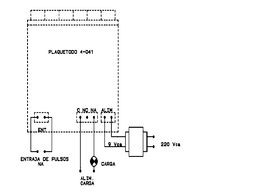
Montaje
- El circuito requiere un transformador de 220 / 9 Vca, 300 mA.
- La plaqueta fue diseñda especialmente para alojarlo en un gabinete tipo panel de 96 x 96 x 135 mm.
- La placa de los displays se monta con la otra insertando los pines (de la plaqueta de los displays) en el conector de la plaqueta lógica de forma tal que ambas plaquetas formen una "L".
Fuente
- Millman J: Microelectronics Digital and Analog Circuits and system. Edición Revolucionaria. 1972.

