Limitador con amplificadores operacionales

Revisión del 14:15 22 oct 2011 de Rafaeljcguisa1 (discusión | contribuciones) (Página creada con '{{Objeto|nombre= Limitadores con amplificadores operacionales =limitador.JPG|descripcion= limitador}} <div align="justify"> ''' Limitadores con amplificadores operacionales'''....')
(dif) ← Revisión anterior | Revisión actual (dif) | Revisión siguiente → (dif)
Limitadores con amplificadores operacionales =limitador.JPG
Información sobre la plantilla

Limitadores con amplificadores operacionales. Un limitador con amplificadores operacionales es un circuito que permite, mediante el uso de resistencias, diodos y un amplificador operacional, eliminar tensiones que no nos interesa que lleguen a un determinado punto de un circuito.

Funcionamiento

El amplificador operacional amplifica la porción de la señal que se transmite, utilizando los limitadores discretos en el lazo de realimentación del amplificador operacional, donde el amplificador proporciona el nivel de comparación y el limitador determina los niveles de tensión de conducción o no conducción, es decir, los niveles de la salida del comparador en cada estado.

Tipos de limitadores

Limitador paralelo básico

Limitador serie básico


Limitador con fuentes fijas o limitador de simple nivel


Limitador de simple nivel utilizando un transistor en el lazo de realimentación




Limitador paralelo básico

Los limitadores en paralelo se consiguen incorporado diodos y/o diodos zéner en el lazo de realimentación.

Limitadores paralelo













Limitador serie básico

Archivo:Lm2.JPG
Limitador serie












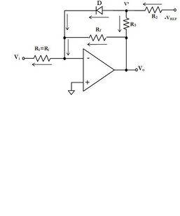
Limitador con fuentes fijas o limitador de simple nivel

Cuando interesa ajustar bien el punto de operación o polarización, se pueden utilizar limitadores con fuentes externas. Es decir, la tensión de referencia vendrá establecida por circuitos diseñados a tal efecto. Estos circuitos evitan, entre otros factores, las fluctuaciones térmicas de la tensión de referencia. Es decir, las fuentes flotantes desaparecen. Permite además gobernar la pendiente de la característica de transferencia. La característica de transferencia es la de un recortador paralelo.

Limitador con fuente fija
















Limitador de simple nivel utilizando un transistor en el lazo de realimentación

Introduciendo un transistor en el lazo de realimentación negativa. La ganancia de continua del transistor (hFE) provoca una disminución ostensible de la resistencia R3, y en consecuencia de la pendiente. El diodo ha sido sustituido por un transistor, cuya unción base emisor hace ahora de diodo de referencia, el diodo (D) sólo protege al transistor contra sobretensiones negativas. Limitador con fuentes fijas y menor pendiente en la zona de recorte. D es un diodo de protección del transistor; no interviene en la característica de transferencia. Se omite la alimentación dual del AO.

Archivo:Lm4.JPG
Limitador con transistor













Aplicación de los limitadores

En sentido general se aplica en el control de señales.

Ejemplo:

En amplificadores de audio

Ecualizadores

Instrumentos musicales y de medición


Frecuencimetros

Fuente

  • Microelectronics, Jacob Millman, 1979
  • Electrónica Digital. Julio Díaz Calvo. Editorial Pueblo y Educación, 1989