Limitador con amplificadores operacionales
| ||||
Limitador con amplificadores operacionales. Un limitador con amplificadores operacionales es un circuito que permite, mediante el uso de resistencias, diodos y un amplificador operacional, eliminar tensiones que no nos interesa que lleguen a un determinado punto de un circuito.
Sumario
Funcionamiento
El amplificador operacional amplifica la porción de la señal que se transmite, utilizando los limitadores discretos en el lazo de realimentación del amplificador operacional, donde el amplificador proporciona el nivel de comparación y el limitador determina los niveles de tensión de conducción o no conducción, es decir, los niveles de la salida del comparador en cada estado.
Tipos de limitadores
- Limitador paralelo básico
- Limitador serie básico
- Limitador con fuentes fijas o limitador de simple nivel
- Limitador de simple nivel utilizando un transistor en el lazo de realimentación
Limitador paralelo básico
Los limitadores en paralelo se consiguen incorporado diodos y/o diodos zéner en el lazo de realimentación.
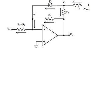
Limitador con fuentes fijas o limitador de simple nivel
Cuando interesa ajustar bien el punto de operación o polarización, se pueden utilizar limitadores con fuentes externas. Es decir, la tensión de referencia vendrá establecida por circuitos diseñados a tal efecto. Estos circuitos evitan, entre otros factores, las fluctuaciones térmicas de la tensión de referencia. Es decir, las fuentes flotantes desaparecen. Permite además gobernar la pendiente de la característica de transferencia. La característica de transferencia es la de un recortador paralelo.
Limitador de simple nivel utilizando un transistor en el lazo de realimentación
Introduciendo un transistor en el lazo de realimentación negativa. La ganancia de continua del transistor (hFE) provoca una disminución ostensible de la resistencia R3, y en consecuencia de la pendiente. El diodo ha sido sustituido por un transistor, cuya unción base emisor hace ahora de diodo de referencia, el diodo (D) sólo protege al transistor contra sobretensiones negativas. Limitador con fuentes fijas y menor pendiente en la zona de recorte. D es un diodo de protección del transistor; no interviene en la característica de transferencia. Se omite la alimentación dual del AO.
Aplicación de los limitadores
En sentido general se aplica en el control de señales.
Ejemplo:
- Instrumentos musicales y de medición
Ver además
- Amplificador Operacional
- Amplificador de audio 90W
- Amplificador de audio 70Wx2 ecualizado
- Amplificador de audio 50 W
- Amplificador de 25w con pre y control de tonos
- Amplificador de 8W EN 12V
- El amplificador de radiofrecuencia en los receptores de amplitud modulada (AM)
- Amplificador de 100 W
- Amplificador de audio de 7 a 70 watts
- Amplificador de 25 W
- Amplificador de frecuencia intermedia en los receptores de radio de Amplitud Modulada (AM)
- Amplificador de audio de amplitud modulada
- Amplificador Atlanta 50w
- Amplificador clase A
- Amplificador diferencial
- Amplificador UHF
- Amplificadores
- Amplificadores operacionales
- Amplificador
Fuente
- Microelectronics, Jacob Millman, 1979
- Electrónica Digital. Julio Díaz Calvo. Editorial Pueblo y Educación, 1989


