Ahuyentador electrónico de mosquitos
| ||||||
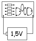
Ahuyentador electrónico de mosquitos. Este simple circuito de fácil construcción te ayudará a mantener alejados a mosquitos y moscas, puede emplearse en cualquier lugar o parte de la casa, su alimentación es de solo 1.5 V que puede ser suministrado por una simple batería por lo que podrás emplearlo cuando salgas de excursión. Puede ser armado sobre un circuito impreso universal, aunque también es posible hacer una plaqueta de circuito impreso como la que se muestra en el texto.
Lista de Componentes
RESISTENCIAS
- R1= 10 Kohms
- R2= 560 Kohms
- R3= 560 Kohms
- R4= 10 Kohms
SEMICONDUCTORES T1, T2 = BC 547
CAPACITORES
- C1= 330 pF
- C2= 82 pF
Principio de Funcionamiento
El equipo basa su funcionamiento en un multivibrador que está construido de forma discreta, es decir, empleando transistores, el multivibrador es en escencia un amplificador realimentado positivamente mediante los condensadores de acoplamiento C1 y C2, que se encargán de acoplar la salida de una etapa con la entrada de la siguiente, lo que provoca que el circuito no se comporte como un amplificador, en su lugar se convierte en un oscilador, o mejor dicho, en un generador de pulsos cuadrados cuya frecuencia puede ser controlada variando los valores de las resistencias de polarización de base de los transistores, o la capacidad de los condensadores empleados para el acoplamiento, la frecuencia generada por este generador supera el margen auditivo que es de apróximadamente unos 20 Khz.
Esta onda cuadrada es entregada a la bocina o resonador piezoeléctrico, la que se acopla de manera dircta a los colectores de los transistores sin afectar el funcionamiento del circuito, esto se debe entre otras cosas a la alta resistencia del altavoz, puedes emplear un altavoz pizoeléctrico como los empleados en los equipos reproductores de sonido. Aunque este tono se persive como un dévil sonido, es importamte que la bocina no tenga delante ningún objeto que pueda interferir las ondas de la misma, además, deberá apuntar siempre hacia donde nos encontremos, pues los insectos como los mosquitos son afectados por la frecuencia que genera este dispositivo.
La alimentación del circuito se puede efectuar a través de una fuente de alimentación que suministre 1.5 V o una batería, cosa que lo convierte en un medio portatil. Este equipo puede mantener alejado a los mosquitos hasta una distancia de unos 2 metros del dispositivo y el consumo no supera los 20 mA.
Impacto
El ahuyentador electrónico de mosquitos, emite unas ondas ultrasónicas que afectan a los sistemas auditivos y nerviosos de las moscas, avispas y demás insectos voladores, causándoles dolor e incomodidad de forma que inmediatamente abandonan el lugar.
Las ondas acústicas que emiten estos ahuyentadores se sitúan fuera de la gama de sonido que percibe el hombre y la mayoría de los animales domésticos por lo que no molesta en ningún momento a las personas.
Montaje
Puedes hacer tu propio circuito impreso para este dispositivo, de ser así trata que las conexiones sean lo más cortas posibles, podrás hacerlo cableado o mediante la confección de un circuito impreso, a continuación mostramos el circuito impreso utilizado.
En este otro gráfico se ve la forma en que los componentes se ubican sobre el circuito impreso utilizado.
CARACTERISTICAS TECNICAS
- TENSION DE ALIMENTACION 1,5 Vcc
- MAXIMO CONSUMO 20 mA
- ALCANCE: HASTA 2 METROS
Fuentes
- Markus, John : Manual de Circuitos Electrónicos. Alfaomega, Marcombo. Consultado: Octubre, 2011.
- Electrónica General – Dispositivos Básicos y Analógicos - Antonio Gil Padilla 1989 - Editorial Mc Graw Hill. Consultado: Octubre, 2011.
- MANUAL TECNICO. Libro 4 - Experiencia. Consultado: Octubre, 2011.
- www.repelermosquitos.com



